Descrição
Os insertos intercambiáveis da Orion Ferramentas oferecem alta qualidade e produtividade para sua empresa. Com precisão e durabilidade, os insertos garantem um desempenho superior em processos industriais. Descubra como os insertos da Orion Ferramentas podem otimizar sua produção e trazer ótimos resultados.
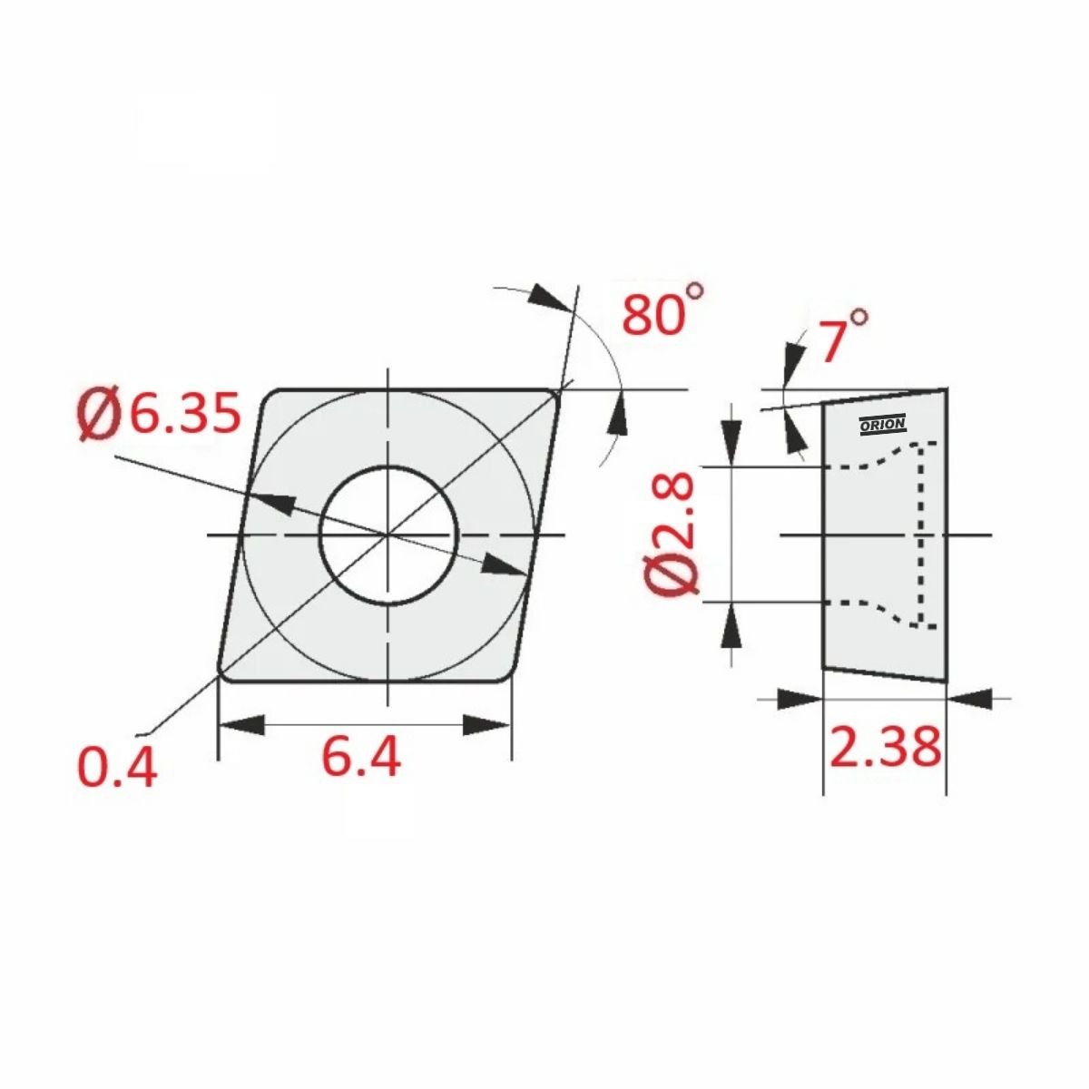
inserto ccgt 060204 al nk0010:
.tamanho da aresta da pastilha: 6,4 mm;
.espessura da pastilha: 2,38 mm;
.diametro do furo: 2,8 mm;
.raio: 0,4 mm;
.quebra cavaco: AL;
.classe iso: k10;
.tipo de usinagem: torneamento / acabamento;
.aplicação: torneamento em não ferrosos, ligas de cobre, latão, alumínio;
.banho: sem banho, pastilha polida, que evita empastamento e melhor escoamento do cavaco;
Produtos relacionados:
48201-inserto ccmt 060204 hm un4015
49235-suporte s06k sclcR 06
49201-suporte s08k sclcR 06
49202-suporte s10k sclcR 06
49205-suporte s12m sclcL 06
49206-suporte s12m sclcR 06
44303-chave torx t08 bandeira
44403-chave torx t08 fenda
44803-parafuso torx m2,5×5,0 t08
Reservamo-nos o direito de possíveis erros de digitação, alterações e modificações sem aviso prévio.











