Descrição
Os Suportes Intercambiáveis da Orion Ferramentas oferecem padrão internacional de qualidade, garantindo precisão e durabilidade excepcionais. Projetados para aumentar a produtividade, esses suportes são ideais para diversos processos de usinagem, como torneamento externo, interno, canal, sangramento e rosca. Escolha o suporte Orion Ferramentas que se adapta perfeitamente às necessidades do seu projeto e alcance resultados profissionais.
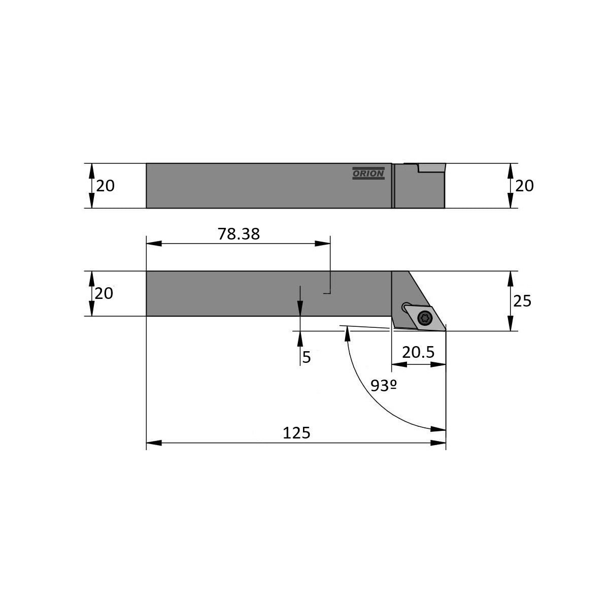
suporte sdjcL 2020 k11:
.quadrado suporte: 20 mm;
.comprimento do suporte: 125 mm;
.pastilha utilizada: dcmt 11t304 / dcmt 11t308 / dcgt 11t304 / dcgt 11t308;
.sentido: esquerdo;
.angulo ataque: 93º;
.fixação através de parafuso torx;
.construído em aço ferramenta;
.tratamento térmico: 38 42 hrc;
.acabamento: oxidação negra;
.não acompanha inserto;
.acompanha: parafuso torx m3,5×12 t15 / chave torx t15 bandeira.
Produtos relacionados:
48505-inserto dcgt 11t304 al nk0010
48206-inserto dcmt 11t304 hm un4015
44306-chave torx t15 bandeira
44405-chave torx t15 fenda
44807-parafuso torx m3,5×12 t15
Reservamo-nos o direito de possíveis erros de digitação, alterações e modificações sem aviso prévio.













